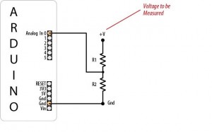
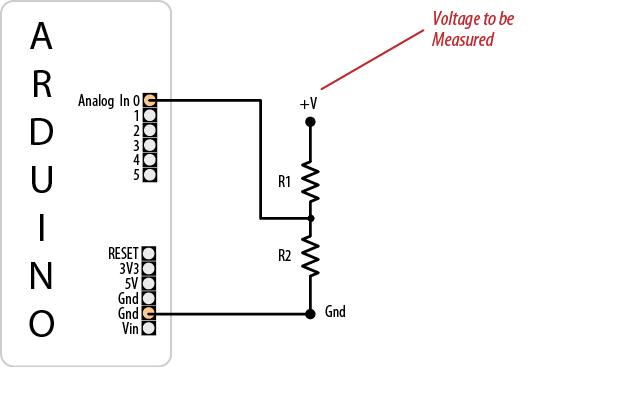
Jednostavan sklop koji omogućuje monitoring napona akumulatora i može biti početna ideja za izradu kontrolera punjenja akumultora ili solarnog kontrolera.

Za merenje napona do 20VDC , R1 je 3K ohm, a R2 1K ohm.
Code:
/*
DisplayMoreThan5V sketch
prints the voltage on analog pin to the serial port
Do not connect more than 5 volts directly to an Arduino pin.
*/
const int referenceVolts = 5; // the default reference on a 5-volt board
//const float referenceVolts = 3.3; // use this for a 3.3-volt board
const int R1 = 3000; // value for a maximum voltage of 20 volts
const int R2 = 1000;
// determine by voltage divider resistors, see text
const int resistorFactor = 255 / (R2/(R1 + R2));
const int batteryPin = 0; // +V from battery is connected to analog pin 0
void setup()
{
Serial.begin(9600);
}
void loop()
{
int val = analogRead(batteryPin); // read the value from the sensor
float volts = (val / resistorFactor) * referenceVolts ; // calculate the ratio
Serial.println(volts); // print the value in volts
}
